This charger will quickly and easily charge most any lead acid battery. The charger delivers full current until the current drawn by the battery falls to 150 mA. At this time, a lower voltage is applied to finish off and keep from over charging. When the battery is fully charged, the circuit switches off and lights a LED, telling you that the cycle has finished.

- charger.gif (6.29 KiB) Viewed 18606 times
| Part | Total Qty. | Description |
| R1 | 1 | 500 Ohm 1/4 W Resistor |
| R2 | 1 | 3K 1/4 W Resistor |
| R3 | 1 | 1K 1/4 W Resistor |
| R4 | 1 | 15 Ohm 1/4 W Resistor |
| R5 | 1 | 230 Ohm 1/4 W Resistor |
| R6 | 1 | 15K 1/4 W Resistor |
| R7 | 1 | 0.2 Ohm 10 W Resistor |
| C1 | 1 | 0.1uF 25V Ceramic Capacitor |
| C2 | 1 | 1uF 25V Electrolytic Capacitor |
| C3 | 1 | 1000pF 25V Ceramic Capacitor |
| D1 | 1 | 1N457 Diode |
| Q1 | 1 | 2N2905 PNP Transistor |
| U1 | 1 | LM350 Regulator |
| U2 | 1 | LM301A Op Amp |
| S1 | 1 | Normally Open Push Button Switch |
| MISC | 1 | Wire, Board, Heatsink For U1, Case, Binding Posts or Alligator Clips For Output |
Notes
- The circuit was meant to be powered by a power supply, which is why there is no transformer, rectifier, or filter capacitors on the schematic. There is no reason why you cannot add these.
- A heat sink will be needed for U1.
- To use the circuit, hook it up to a power supply/plug it in. Then, connect the battery to be charged to the output terminals. All you have to do now is push S1 (the "Start" switch), and wait for the circuit to finish.
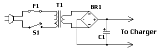
- If you want to use the charger without having to provide an external power supply, use the following circuit.

- power.gif (1.04 KiB) Viewed 18606 times
| Part | Total Qty. | Description | Substitutions |
| C1 | 1 | 6800uF 25V Electrolytic Capacitor | |
| T1 | 1 | 3A 15V Transformer | |
| BR1 | 1 | 5A 50V Bridge Rectifier | 10A 50V Bridge Rectifier |
| S1 | 1 | 5A SPST Switch | |
| F1 | 1 | 4A 250V Fuse | |
- The first time you use the circuit, you should check up on it every once and a while to make sure that it is working properly and the battery is not being over charged.