Page 1 of 3
New Knight rider Flasher
Posted: Sat Nov 27, 2010 11:55 pm
by RAT16F88
Code: Select all
char add;
void main() {
PORTB = 0 ;
TRISB = 0;
while(1) {
do{
PORTB = (PORTB*2)+1;
Delay_ms(100);
}while(PORTB<254);
if(PORTB = 255){
do{
PORTB = PORTB<<1;
Delay_ms(100);
}while(PORTB >0);
}
Delay_ms(300);
add = 128;
do{
PORTB = PORTB + add;
Delay_ms(100);
add = add/2;
}while(PORTB<255);
if(PORTB = 255){
do{
PORTB = PORTB>>1;
Delay_ms(100);
}while(PORTB >0);
}
Delay_ms(300);
}
}

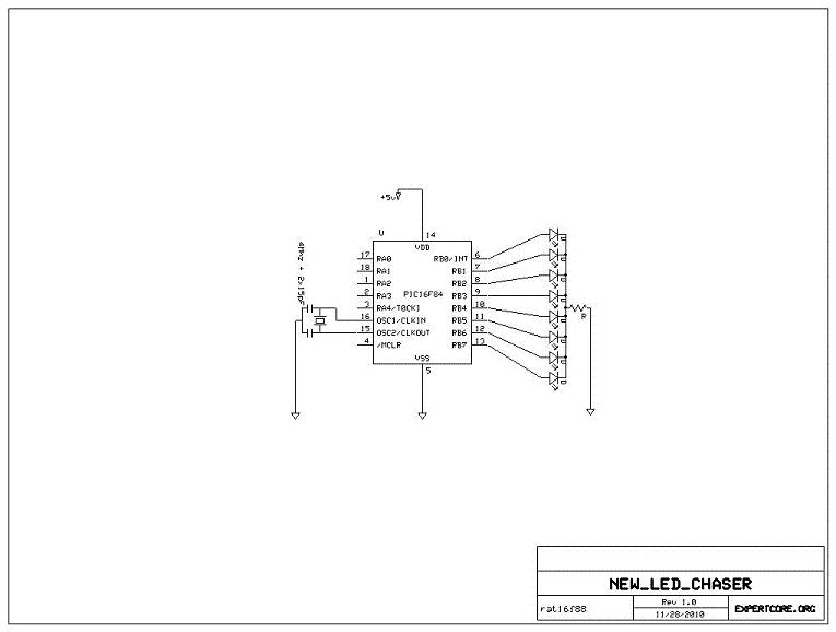
- rat.jpg (29.48 KiB) Viewed 30013 times
Re: New Knight rider Flasher
Posted: Sun Nov 28, 2010 2:35 am
by Neo
Cool. If you can add some photos of the circuit design and demo with code, it would even be more useful.
Keep up the good work!
Re: New Knight rider Flasher
Posted: Sun Nov 28, 2010 9:02 pm
by RAT16F88
[media]http://www.youtube.com/watch?v=46xHQsZqRLM[/media]
Re: New Knight rider Flasher
Posted: Sun Nov 28, 2010 10:31 pm
by Nipuna
Hey So Cool
I was searching a Knight Rider Circuit Like this. But all the Circuits that Shops have only one way or Center to two way Lighting Ones.
First time I saw circuit like this. Just as I thought
But I want be able to make one like that because fist i have to learn programing then I'll try to make Micro controller stuff.
But My Problem is i don't have time even to learn programing because of my Freelancer works.
Now I am Planning to Stop them a while and Start learning. and do freelancing as Part time.
Thanks
Re: New Knight rider Flasher
Posted: Mon Nov 29, 2010 12:16 am
by RAT16F88
Yeah ,thanks Nipuna .
Programming microcontrollers(PICs only) is very easy but all you need is time to experiment
Every thing you need is in ROBOT.LK so good luck.

Re: New Knight rider Flasher
Posted: Mon Nov 29, 2010 6:05 am
by Neo
Rat,
This is very good. Really good encouragement for new guys to start on.
Sharing knowledge and experience for the benefit of the community is EC's vision....
Keep up the good work..
Re: New Knight rider Flasher
Posted: Mon Nov 29, 2010 8:46 am
by Nipuna
Thanks Friends
Re: New Knight rider Flasher
Posted: Mon Nov 29, 2010 1:34 pm
by RAT16F88
Neo wrote:Rat,
This is very good. Really good encouragement for new guys to start on.
Sharing knowledge and experience for the benefit of the community is EC's vision....
Keep up the good work..
Thanks Neo I'll try my best

Re: New Knight rider Flasher
Posted: Thu Jul 21, 2011 6:20 am
by Enigma
Re: New Knight rider Flasher
Posted: Tue Aug 30, 2011 6:14 pm
by Rksk
Oh! forgot to tell that,
I tested above code 2days before and got below result.
[media]http://youtube.com/watch?v=Zblbgm8pLYg[/media]
It's 100% not match with above posted video by RaT.
Where is the wrong? does RaT lie?
[ Post made via Mobile Device ] 