Page 1 of 1
Making an MP3 player using STA013 & CS4334 chips
Posted: Thu Nov 24, 2011 12:25 pm
by Shane
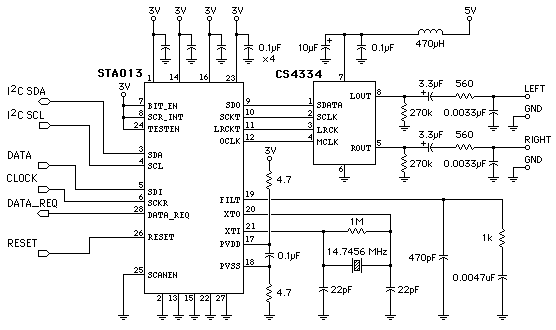
It is a common question asked over the net on how to make a good quality MP3 player. By using STA013 and CS4334 chips in combination can make this dream come true. Here is the schematics.

- 1.gif (6.29 KiB) Viewed 11462 times
All you have to do is, find a microcontroller with I2C bus and write MP3 data directly over that. Rest will be handled by the chip. Enjoy!
Re: Making an MP3 player using STA013 & CS4334 chips
Posted: Mon Nov 28, 2011 5:18 pm
by Nandika
you can buy a mp3 player about 600-900 LKR.
it has separated item(usb socket,chip,jacks,PCB,LEDs).
it is eazy,but lazy.
[ Post made via Mobile Device ] 
Re: Making an MP3 player using STA013 & CS4334 chips
Posted: Mon Nov 28, 2011 7:19 pm
by Shane
With those all in one chips, you will hardly find an I2C (or SPI) interface to connect a microcontroller which can then feed raw PCM them. So those are not much attracted to electronic enthusiasts.
Re: Making an MP3 player using STA013 & CS4334 chips
Posted: Sat Mar 24, 2012 3:45 pm
by frinchxy
How can I play my mp3 player on my car speakers? I have a Creative Zen mp3 player and my car does not have a cassette player, so a cassette adapter would not work. My car also does not have an audio jack to connect to the headphone jack of my mp3 player. I have also already tried a wireless FM adapter that never worked well. Is there a product, possibly a wired FM adapter, that could play my music?
Re: Making an MP3 player using STA013 & CS4334 chips
Posted: Mon Mar 26, 2012 12:17 am
by Saman
How can I play my mp3 player on my car speakers?
It would have been better if you ask your question in a different topic that going off topic. These off topic entries are usually counted as SPAM. However I'll give you a quick answer. Have a look at post
https://robot.lk/viewtopic.php?f=19&t=2786
Re: Making an MP3 player using STA013 & CS4334 chips
Posted: Mon Mar 26, 2012 3:18 am
by SemiconductorCat
I don't think this is very easy as this hobby project.
not discouraging you. But the simple hobby circuit lacks following.
1. A good bypass mechanism to keep away HF signals from supply bus lines.
2. design the power supply unit.
3. temperature independent voltage reference circuit.
5. Terminal voice cancelling circuit.