Page 1 of 2
How to connect CD-ROM motor to PIC microcontroller?
Posted: Sun Jan 24, 2010 2:51 pm
by NTSH1996
hi,
Can I drive cd-rom motor using pic ? what do u think ?
Re: BLDC
Posted: Sun Jan 24, 2010 10:17 pm
by Neo
Re: How to connect CD-ROM motor to PIC microcontroller?
Posted: Sun Jan 24, 2010 10:34 pm
by Neo
Have a look at
this one. It has lots of information about what you need to do.
Re: How to connect CD-ROM motor to PIC microcontroller?
Posted: Mon Jan 25, 2010 12:13 pm
by Magneto
Dear Friend ,
In my experience , CD ROM motors are servo motors , which have very high presion feed back control system.
So it is good , first to veryfy the motor is a Servo motor with a servo controller or a stepper motor
Magneto
Re: How to connect CD-ROM motor to PIC microcontroller?
Posted: Mon Jan 25, 2010 12:20 pm
by Magneto
Hi Friend ,
It seems most of the CD ROMS contain Brush Less DC Motors , you can easily drive this type of motors with a microcontroller. And if you want to control the speed of the motor , you can use pWM module in the the microcontroller.
When you changing the Duty of the applied voltage pulse , you can change the speed
Good Luck,
Re: How to connect CD-ROM motor to PIC microcontroller?
Posted: Wed Jun 15, 2011 12:31 am
by NTSH1996
[media]http://www.youtube.com/watch?v=ww4FIiEWMHU[/media]
Here is my design. Its working.Finally I made it.Thnks guys.
Re: How to connect CD-ROM motor to PIC microcontroller?
Posted: Wed Jun 15, 2011 6:49 am
by Neo
Very nice job. Congratulations !!!
If you could write a short article about this fantastic piece of job on a separate topic, I'm sure it would be really helpful for all our colleagues here.
Re: How to connect CD-ROM motor to PIC microcontroller?
Posted: Fri Jun 17, 2011 8:04 pm
by NTSH1996
thnx. Sure ! I ll as soon as time permits.
Re: How to connect CD-ROM motor to PIC microcontroller?
Posted: Wed Jun 29, 2011 7:34 pm
by DeepakPatil23
Hi,
I have Creative CDROM 32x, how i can Identify that motor is a stepper motor or servo motor?

Re: How to connect CD-ROM motor to PIC microcontroller?
Posted: Thu Jun 30, 2011 4:53 am
by Neo
You will have to first disassemble it and get the motor(s) out carefully.
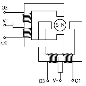
According to my knowledge, a CDROM has both stepper and servo motor. Stepper is used for the tray in/out and the servo (BLDC servo) is used to spin the disk.
A Unipolar Stepper motor has 5 or 6 wires. A brushless DC (BLDC) motor (servo type) has a minimum of 3 wires (Power supply and PWM speed control). Additional wires are for sensors such as hall effect sensors which are built-in to the motor.
A Unipolar stepper motor.

- usm.jpg (101.02 KiB) Viewed 23891 times
Wiring diagram of a unipolar stepper motor.

- smc.png (9.82 KiB) Viewed 23891 times
Brushless DC motor (Notice the sensors)

- bldc.JPG (68.03 KiB) Viewed 23891 times
To drive a unipolar stepper motor, you can use a driver IC like L293D. If you are going to use the Servo one, then you can directly drive with a PWM pin on the micro. For both cases, you will have to carefully distinguish the wires.
If you can take clear photographs of the motors, then we might be able to tell you what is it. NTSH has already experimented with this so he will help you as well.