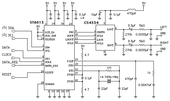
It is a common question asked over the net on how to make a good quality MP3 player. By using STA013 and CS4334 chips in combination can make this dream come true. Here is the schematics.
All you have to do is, find a microcontroller with I2C bus and write MP3 data directly over that. Rest will be handled by the chip. Enjoy!
Making an MP3 player using STA013 & CS4334 chips
Re: Making an MP3 player using STA013 & CS4334 chips
you can buy a mp3 player about 600-900 LKR.
it has separated item(usb socket,chip,jacks,PCB,LEDs).
it is eazy,but lazy.
[ Post made via Mobile Device ]
it has separated item(usb socket,chip,jacks,PCB,LEDs).
it is eazy,but lazy.
[ Post made via Mobile Device ]

Re: Making an MP3 player using STA013 & CS4334 chips
With those all in one chips, you will hardly find an I2C (or SPI) interface to connect a microcontroller which can then feed raw PCM them. So those are not much attracted to electronic enthusiasts.
Re: Making an MP3 player using STA013 & CS4334 chips
How can I play my mp3 player on my car speakers? I have a Creative Zen mp3 player and my car does not have a cassette player, so a cassette adapter would not work. My car also does not have an audio jack to connect to the headphone jack of my mp3 player. I have also already tried a wireless FM adapter that never worked well. Is there a product, possibly a wired FM adapter, that could play my music?
Re: Making an MP3 player using STA013 & CS4334 chips
It would have been better if you ask your question in a different topic that going off topic. These off topic entries are usually counted as SPAM. However I'll give you a quick answer. Have a look at post https://robot.lk/viewtopic.php?f=19&t=2786How can I play my mp3 player on my car speakers?
- SemiconductorCat
- Major

- Posts: 455
- Joined: Mon Aug 22, 2011 8:42 pm
- Location: currently in hyperspace
Re: Making an MP3 player using STA013 & CS4334 chips
I don't think this is very easy as this hobby project.
not discouraging you. But the simple hobby circuit lacks following.
1. A good bypass mechanism to keep away HF signals from supply bus lines.
2. design the power supply unit.
3. temperature independent voltage reference circuit.
5. Terminal voice cancelling circuit.
not discouraging you. But the simple hobby circuit lacks following.
1. A good bypass mechanism to keep away HF signals from supply bus lines.
2. design the power supply unit.
3. temperature independent voltage reference circuit.
5. Terminal voice cancelling circuit.


