MikroC provides the following three functions to interface Matrix Keypad.
Keypad_Init
Prototype: void Keypad_Init(void);
It initializes a particular port for working with keypad. A global variable ‘keypadPort’ must be defined before using this function. Port need to be initialized before calling this function.
Keypad_Key_Press
Prototype: char Keypad_Key_Press(void);
This function reads key when a key is pressed and it returns number corresponding (1 – 16) to the pressed key. If no key is pressed, it will return 0.
Keypad_Key_Click
Prototype: char Keypad_Key_Click(void);
When this function is called, it waits until some key is pressed and released. When released it returns number corresponding (1 – 16) to the pressed key. If no key is pressed, it will return 0. If more than one key is pressed, the function waits until all pressed keys are released and returns number corresponds to first pressed key. Port need to be initialized before calling this function.
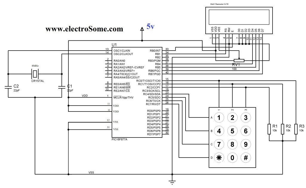
For demonstration of the working, here we will use a 4*3 keypad. The pressed key and number of times a particular key is pressed in displayed in LCD Display.
Circuit Diagram:
MikroC Code:
Code: Select all
unsigned short kp, cnt, oldstate = 0;
char txt[6];
// Keypad module connections
char keypadPort at PORTC;
// End Keypad module connections
// LCD module connections
sbit LCD_RS at RB1_bit;
sbit LCD_EN at RB0_bit;
sbit LCD_D4 at RB4_bit;
sbit LCD_D5 at RB5_bit;
sbit LCD_D6 at RB6_bit;
sbit LCD_D7 at RB7_bit;
sbit LCD_RS_Direction at TRISB1_bit;
sbit LCD_EN_Direction at TRISB0_bit;
sbit LCD_D4_Direction at TRISB4_bit;
sbit LCD_D5_Direction at TRISB5_bit;
sbit LCD_D6_Direction at TRISB6_bit;
sbit LCD_D7_Direction at TRISB7_bit;
// End LCD module connections
void main()
{
cnt = 0; // Reset counter
Keypad_Init(); // Initialize Keypad
Lcd_Init(); // Initialize Lcd
Lcd_Cmd(_LCD_CLEAR); // Clear display
Lcd_Cmd(_LCD_CURSOR_OFF); // Cursor off
Lcd_Out(1, 1, "1");
Lcd_Out(1, 1, "Key :"); // Write message text on Lcd
Lcd_Out(2, 1, "Times:");
do
{
kp = 0; // Reset key code variable
// Wait for key to be pressed and released
do
//kp = Keypad_Key_Press(); // Store key code in kp variable
kp = Keypad_Key_Click(); // Store key code in kp variable
while (!kp);
// Prepare value for output, transform key to it's ASCII value
switch (kp)
{
case 1: kp = 49; break; // 1
case 2: kp = 50; break; // 2
case 3: kp = 51; break; // 3
//case 4: kp = 65; break; // A commented since 4th column is absent for 4*3 keypad
case 5: kp = 52; break; // 4
case 6: kp = 53; break; // 5
case 7: kp = 54; break; // 6
//case 8: kp = 66; break; // B commented since 4th column is absent for 4*3 keypad
case 9: kp = 55; break; // 7
case 10: kp = 56; break; // 8
case 11: kp = 57; break; // 9
//case 12: kp = 67; break; // C commented since 4th column is absent for 4*3 keypad
case 13: kp = 42; break; // *
case 14: kp = 48; break; // 0
case 15: kp = 35; break; // #
//case 16: kp = 68; break; // D
}
if (kp != oldstate)
{ // Pressed key differs from previous
cnt = 1;
oldstate = kp;
}
else
{ // Pressed key is same as previous
cnt++;
}
Lcd_Chr(1, 10, kp); // Print key ASCII value on Lcd
if (cnt == 255)
{ // If counter varialble overflow
cnt = 0;
Lcd_Out(2, 10, " ");
}
WordToStr(cnt, txt); // Transform counter value to string
Lcd_Out(2, 10, txt); // Display counter value on Lcd
} while (1);
}
Article courtesy of electrosome.com

